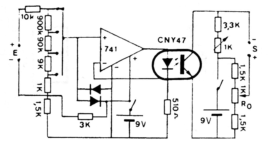
Este circuito es para aplicaciones de bajas frecuencias, ya que los componentes usados son limitados en esta característica. El circuito es de una documentación antigua que requiere dos fuentes de tensión.
Este circuito fue obtenido en una documentación estadounidense de los años 90. Los amplificadores...
Este circuito es de una documentación de 2005. Acciona automáticamente una bomba de riego cuando...
He colocado este circuito en la sección Banco de Circuitos más como curiosidad, pues además de...