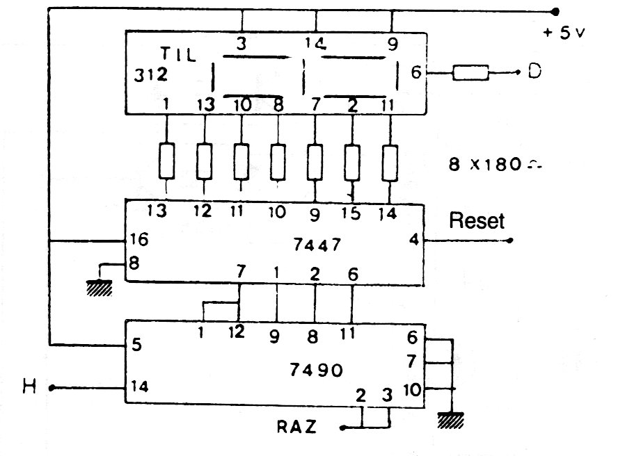
Esta es una configuración tradicional ya explorada en este sitio de otras formas. Esta fue obtenida en una documentación europea de los años 80, debiendo ser alimentada por una tensión de 5 V. RAZ significa Retorno a cero o Reset.
Este amplificador de guitarra a transistores apareció en la revista Radio Electronics en noviembre de...
Este circuito de Texas Instruments de 1968 usa diacs de la época. Los SCR pueden ser equivalentes...
El Variable Frequency Oscillator (VFO) o el oscilador de frecuencia variable que se muestra en la...