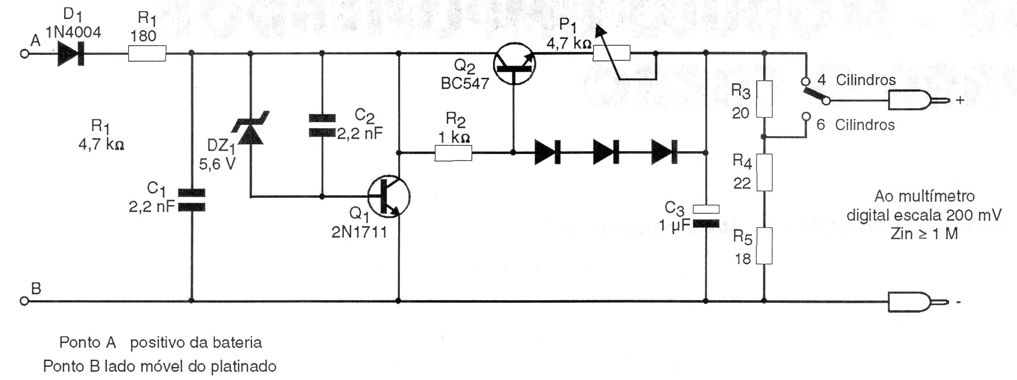
Este circuito, de una documentación de 1997, se utiliza en el ajuste del ángulo de permanencia de vehículos de la época que todavía usaban platinados. El circuito utiliza el multímetro como instrumento indicador y es alimentado por la propia tensión del coche. En la figura tenemos los puntos de conexión de este instrumento.




