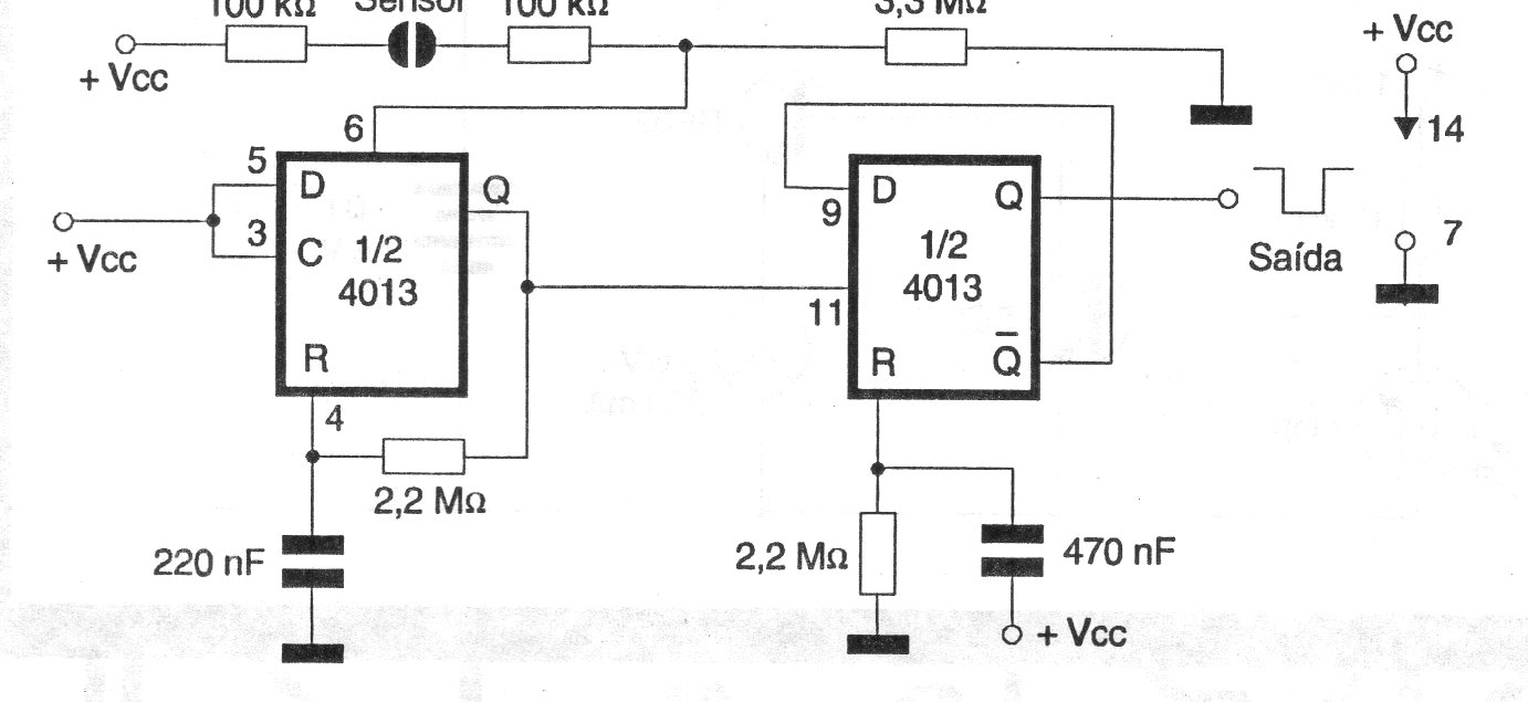
Este circuito consiste en una llave biestable de toque con el conocido flip-flop doble CMOS 4013. El circuito puede ser alimentado por tensiones de 3 a 13 V y funciona como un excelente escudo de control para microcontroladores. El circuito y el microcontrolador nunca deben ser alimentados por fuente sin transformador.




