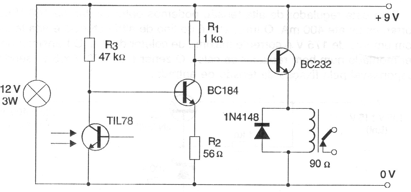
Esta clave óptica se ha encontrado en un antiguo manual de optoelectrónica de Texas Instruments. El relé es de acuerdo con la alimentación que puede quedar entre 9 y 12 V. En lugar de la lámpara se pueden utilizar LEDs con resistencias en serie en la fuente emisora. El foto-transistor admite equivalentes y los transistores pueden ser los BC548.




