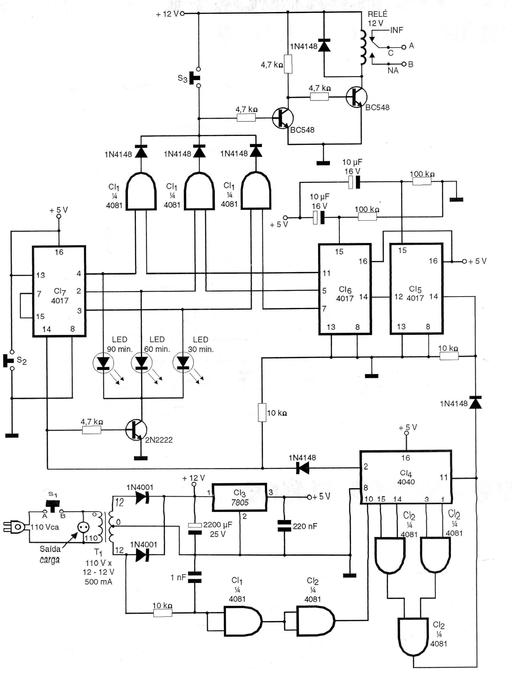
Los tiempos de este temporizador, que se encuentran en una documentación de 1997, pueden ajustarse a 30, 60 y 90 minutos. El circuito utiliza tecnología CMOIS y al final de la temporización acciona un relé de 12 V. El circuito es necesario por el uso de la frecuencia de la red de energía para su sincronización.




