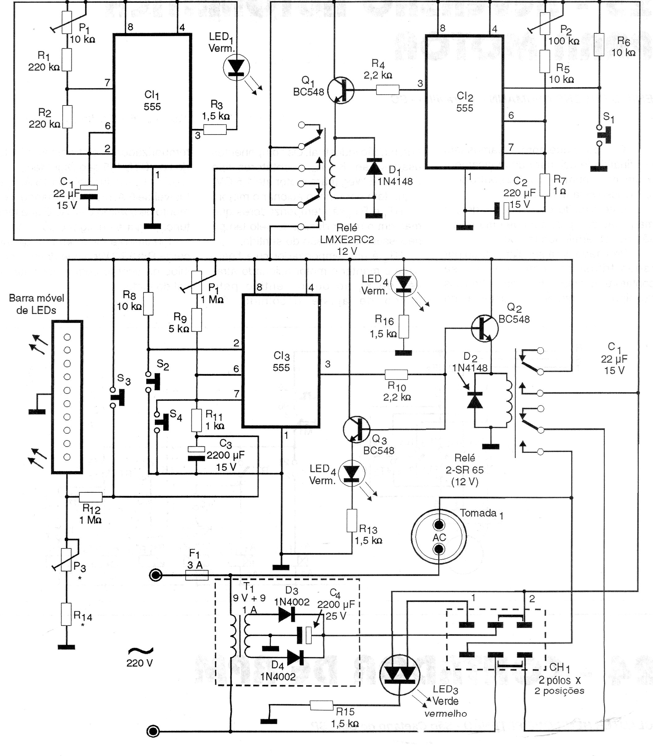
Este súper temporizador, encontrado en una documentación de 1997, posee diversos recursos, siendo usado para apagar un electrodoméstico después de intervalo de tiempo ajustado en los trimpots. El circuito incluye la fuente de alimentación y los relés usados son para 12 V.




