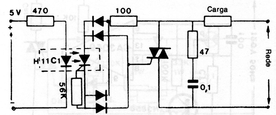
Este circuito puede ser usado en la bancada para control de cargas de corriente alterna, funcionando como un shield de control de uso general. El circuito puede utilizar cualquier triac y el acoplador es una foto-SCR.
Un oscilador de relajación con lámpara de neón es la base de este circuito que se puede utilizar como...
Un comparador de tensión de precisión, usando diodo zener como referencia puede ser implementado con...
Este circuito detecta ductos de metal, hilos de instalaciones embutidas, pequeños objetos...