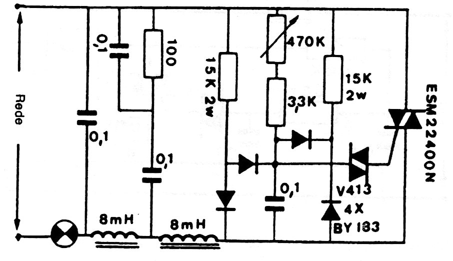
Esta es una de las muchas configuraciones para este tipo de circuito que el lector puede encontrar en este sitio. Esta hace uso de un triac y sólo sirve para lámparas incandescentes. La tensión mínima aplicada a la carga es de 20 V. El circuito incluye filtro contra interferencias.




