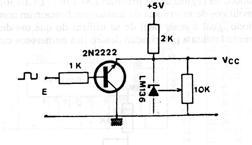
Este circuito produce pulsos con tensión limitada y con precisión que depende del integrado usado. Esta tensión de referencia, que puede ser pulsante se ajusta en el potenciómetro. El circuito es de una documentación europea antigua.
Un oscilador de relajación con lámpara de neón es la base de este circuito que se puede utilizar como...
Un comparador de tensión de precisión, usando diodo zener como referencia puede ser implementado con...
Este circuito detecta ductos de metal, hilos de instalaciones embutidas, pequeños objetos...