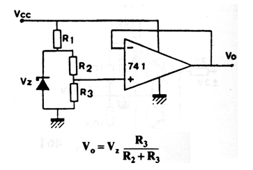
En este circuito tenemos otra referencia de tensión con el amplificador operacional 741, usando la configuración de seguidor de tensión. La tensión es dada por el zener y la fuente no necesita ser simétrica.

En este circuito tenemos otra referencia de tensión con el amplificador operacional 741, usando la configuración de seguidor de tensión. La tensión es dada por el zener y la fuente no necesita ser simétrica.
