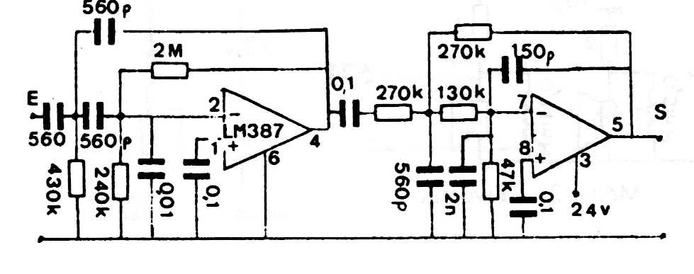
La combinación de dos filtros, un paso alto y un paso bajo conduce a un circuito pasa rango de 300 a 3 kHz que se puede utilizar en aplicaciones de audio con tocadiscos para la eliminación de ruidos. Los integrados usados pueden ser operativos comunes en lugar del original de difícil obtención.




