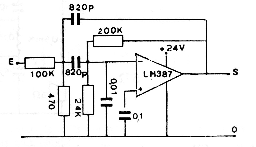
Este circuito también utiliza un integrado poco común en nuestros días. Sin embargo, la configuración se puede experimentar con los operativos equivalentes modernos. Los componentes conducen a una banda pasante de 2 kHz a 20 kHz.
Un oscilador de relajación con lámpara de neón es la base de este circuito que se puede utilizar como...
Un comparador de tensión de precisión, usando diodo zener como referencia puede ser implementado con...
Este circuito detecta ductos de metal, hilos de instalaciones embutidas, pequeños objetos...