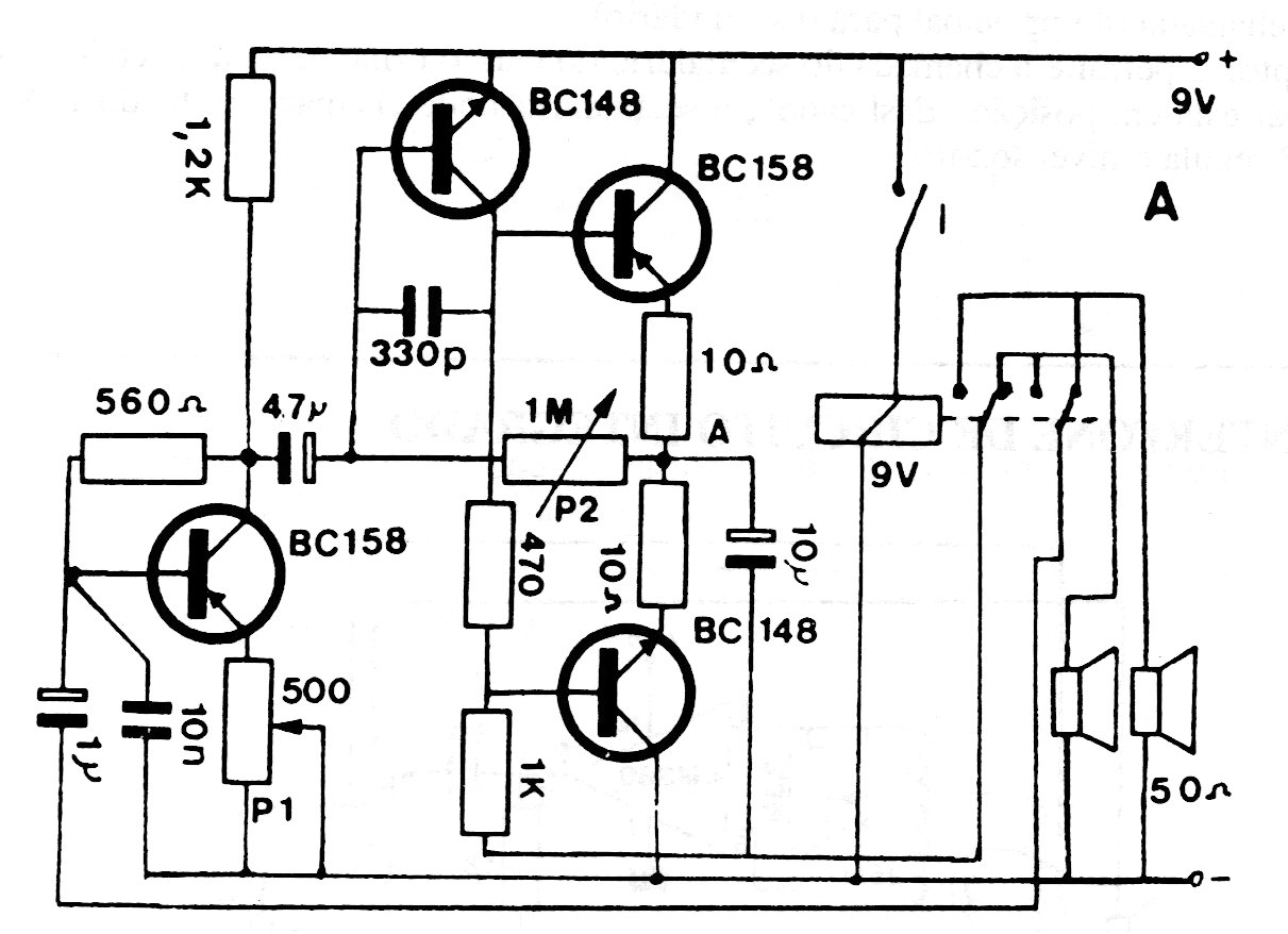
Los transistores de circuito antiguo pueden ser equivalentes modernos como los BC548 y BC558 según el tipo (NPN o PNP). El circuito es alimentado por 9 V y el relé hace la conmutación de funciones hablar-oír. El circuito es de una documentación de los años 80.




