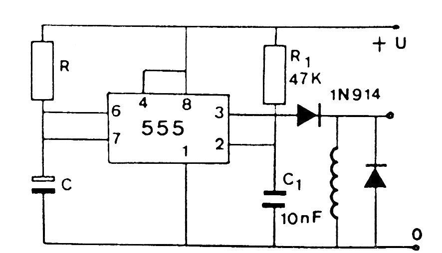
De esta configuración sin transistor driver para el relé es de una documentación de los años 80. Ver los diodos de protección. El relé debe ser del tipo sensible para corrientes de hasta 100 mA. R y C determinan la temporización. La alimentación depende del relé utilizado.




