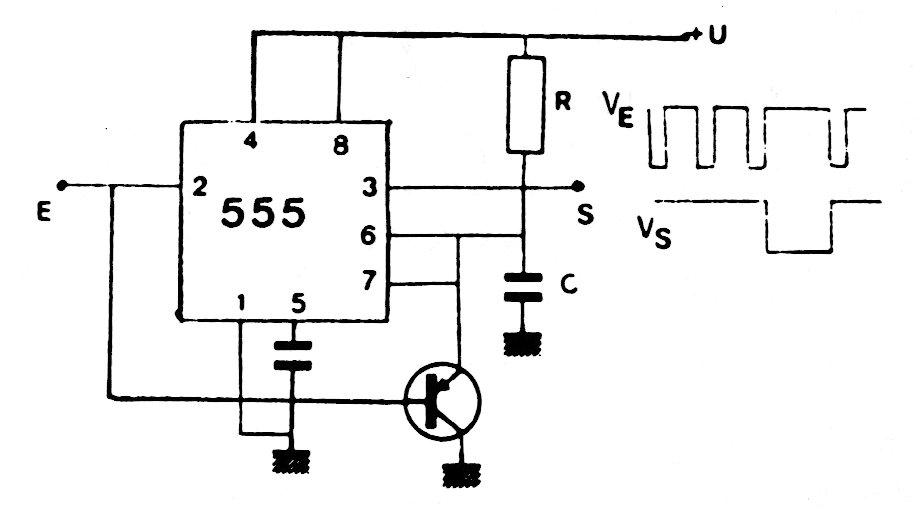
Este circuito también aparece como detector de ausencia de pulsos. Fue el nombre dado en la documentación original de los años 80. RC debe tener una constante un poco mayor que la duración del pulso cuya ausencia debe ser detectada. El circuito funcionará como shield si se alimenta con 5 V.




