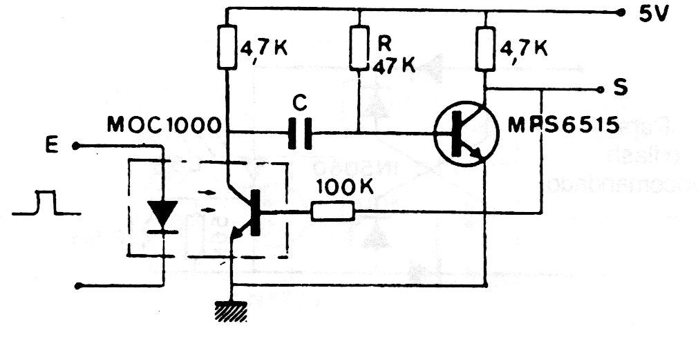
Este circuito tiene pequeñas diferencias en relación al anterior, siendo el condensador C determina por la frecuencia de las señales que deben ser trabajadas. Como escudo un resistor normalmente de 330 ohmios debe ser conectado en serie con el LED emisor.




