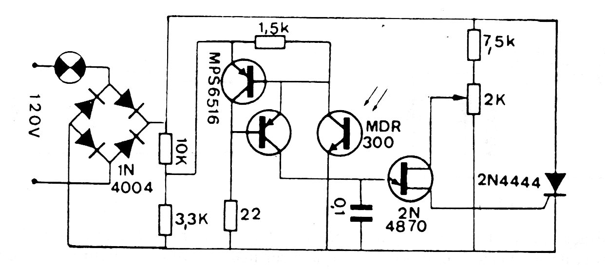
Este circuito obtenido en una documentación europea antigua utiliza un puente de diodos para obtener el control de onda completa de una lámpara incandescente en función del grado de iluminación del sensor. El foto-transistor y el SCR admite equivalentes.




