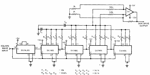
Esta configuración TTL convierte una señal cuadrática de entrada de frecuencia f en un signo senoidal de frecuencia 1/16 de f. El circuito fue obtenido en una documentación de 1972 haciendo uso de tecnología TTL. El circuito debe ser alimentado con 5 V y el operacional con fuente simétrica.




