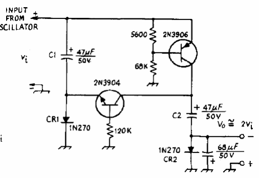
Este circuito se obtuvo en una documentación antigua. Los transistores pueden ser los BC558 y BC548. La frecuencia de conmutación depende de un oscilador externo.

Este circuito se obtuvo en una documentación antigua. Los transistores pueden ser los BC558 y BC548. La frecuencia de conmutación depende de un oscilador externo.
