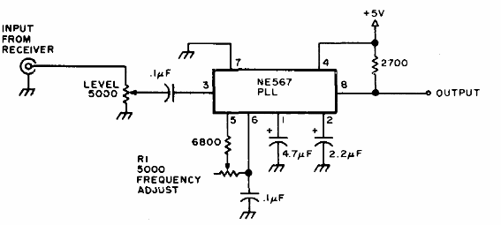
Este circuito es indicado por una publicación para radioaficionados de 1976 para la decodificación de señales telegráficas. Los potenciómetros de 5k pueden ser reemplazados por potenciómetro de 4k7 que son los valores estandarizados actuales.

Este circuito es indicado por una publicación para radioaficionados de 1976 para la decodificación de señales telegráficas. Los potenciómetros de 5k pueden ser reemplazados por potenciómetro de 4k7 que son los valores estandarizados actuales.
