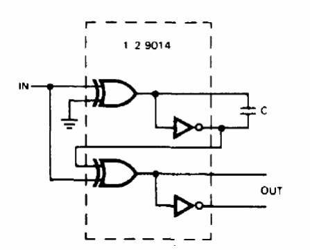
Este circuito, obtenido de documentación técnica antigua, muestra cómo utilizar funciones lógicas para detectar la frente o borde de subida de una señal lógica. El circuito puede ser implementado con cualquier lógica y C depende del tiempo de subida de la señal, teniendo un valor típico en el rango de 100 pF a 1 nF.




