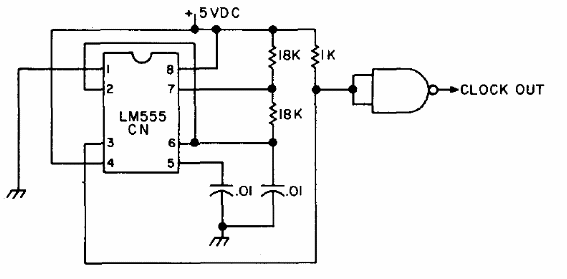
Encontramos este circuito en una antigua documentación americana. Muestra cómo utilizar un 555 para evitar que un pulso TTL sea mal reconocido por una puerta lógica.

Encontramos este circuito en una antigua documentación americana. Muestra cómo utilizar un 555 para evitar que un pulso TTL sea mal reconocido por una puerta lógica.
