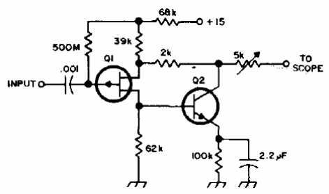
Esta punta de prueba de 1 200 Megohms para instrumentación fue obtenida en una publicación de 1974. El FET puede ser el BF245 o MPF102 y el transistor bipolar puede ser el 2N2222.

Esta punta de prueba de 1 200 Megohms para instrumentación fue obtenida en una publicación de 1974. El FET puede ser el BF245 o MPF102 y el transistor bipolar puede ser el 2N2222.
