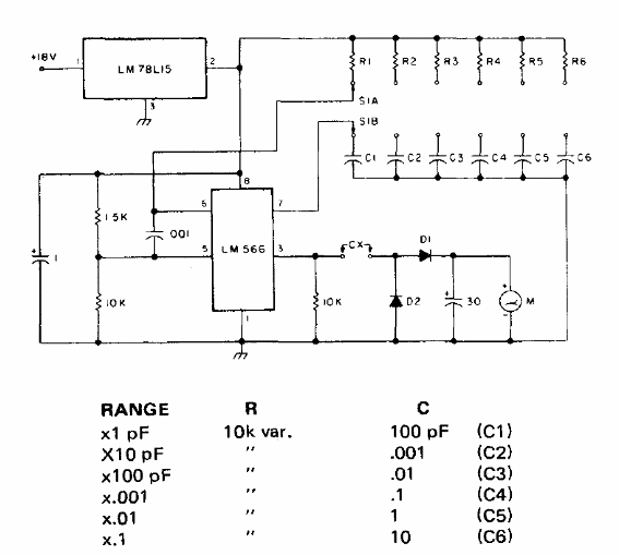
Hemos obtenido este circuito en una antigua publicación americana. Con él es posible medir capacitancias en 6 escalas según valores de los componentes dados. El circuito se alimenta con 15 V obtenidos de un regulador y el instrumento indicador tiene un fondo de escala de 100 uA. Se puede utilizar un multímetro que tenga una escala baja de corrientes compatible.




