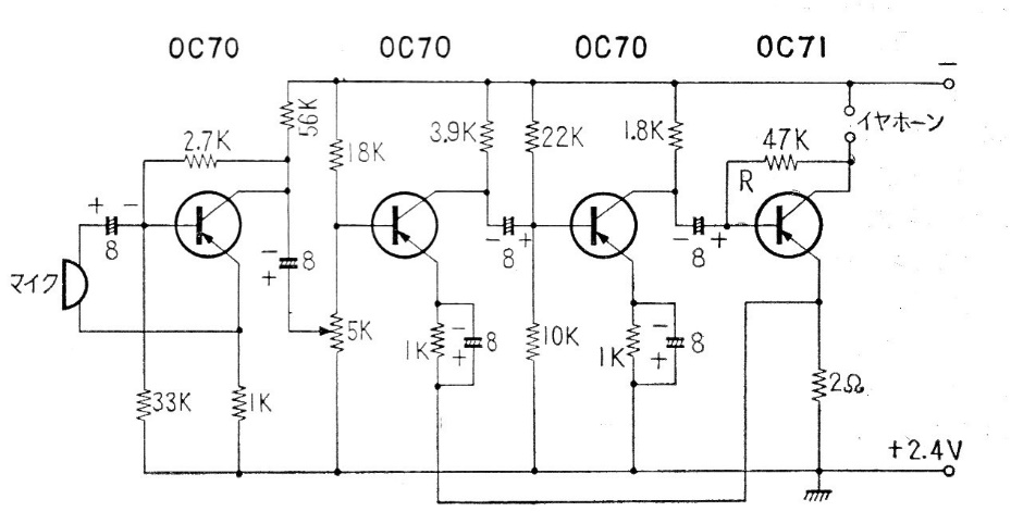
Encontramos este circuito en una revista técnica japonesa de 1967. Los transistores están hechos de germanio en ese momento y el circuito está alimentado por un voltaje de solo 2.4 V. El micrófono es de baja o media impedancia.
Un oscilador de relajación con lámpara de neón es la base de este circuito que se puede utilizar como...
Un comparador de tensión de precisión, usando diodo zener como referencia puede ser implementado con...
Este circuito detecta ductos de metal, hilos de instalaciones embutidas, pequeños objetos...