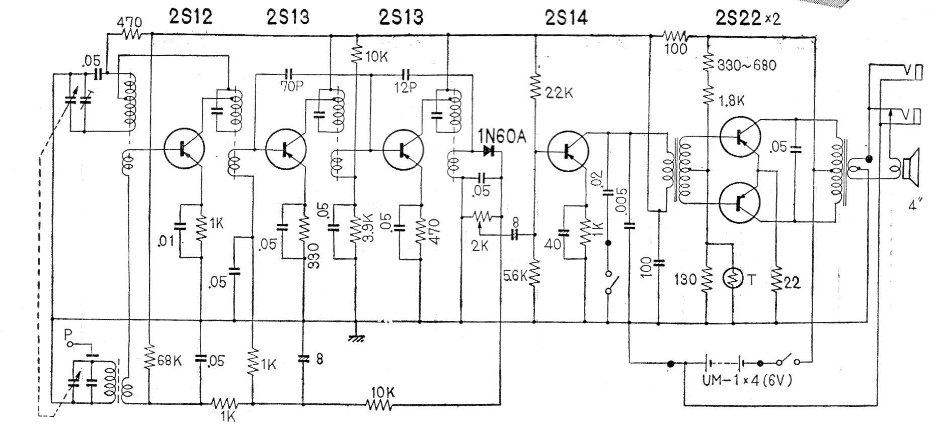
Esta radio AM comercial japonesa de la década de 1960 utiliza 6 transistores de germanio y funciona con 4 baterías. Los transistores están hechos de germanio, los IF son de 455 kHz y la potencia de salida es de 300mW.
Un oscilador de relajación con lámpara de neón es la base de este circuito que se puede utilizar como...
Un comparador de tensión de precisión, usando diodo zener como referencia puede ser implementado con...
Este circuito detecta ductos de metal, hilos de instalaciones embutidas, pequeños objetos...