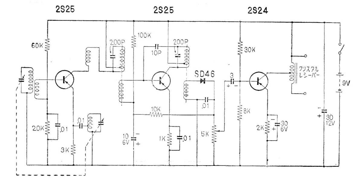
Se trata de una radio comercial japonesa de los años 60. El circuito se escucha por teléfono y se alimenta con una tensión de 9 V obtenido de una batería.
Usted puede montar su propio sistema de sonido con un altavoz para medios y graves (alto rango) y...
Para alimentar a los pequeños proyectos que requieren corrientes de hasta 1 A, se dará una fuente...
Este es un proyecto didáctico interesante. En el electroimán experimental accionado por la luz. ...