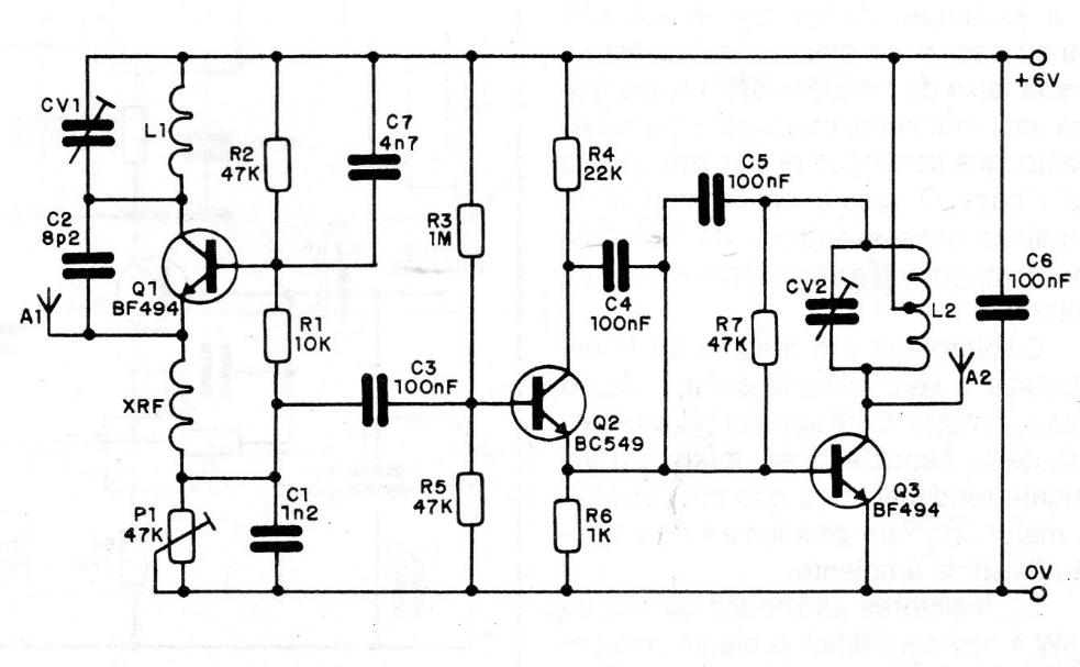
Este interesante circuito, que se encuentra en una documentación de 1984, captura estaciones en la banda FM y retransmite su señal en la banda AM. El alcance es pequeño, pero le permite escuchar FM en una radio AM ubicada cerca. L1 tiene 4 vueltas de alambre 22 a 26 en forma de 1 cm sin núcleo y L2 tiene 40 + 40 vueltas de alambre 28 o 30 en una varilla de ferrita. XRF consta de 50 vueltas de cable 32 en un palillo de dientes común.




