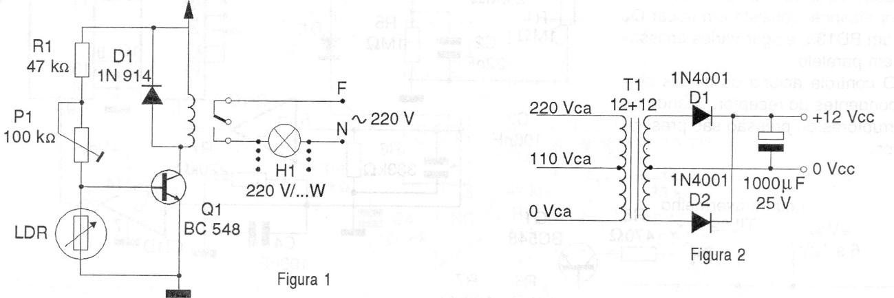
Este circuito simple usa solo un transistor y un relé como componentes básicos. El ajuste del punto de funcionamiento se realiza en P1. La alimentación se puede realizar con tensiones de 5, 6 o 12 V según el relé utilizado. Se incluye una fuente de alimentación de 12 V en el proyecto.




