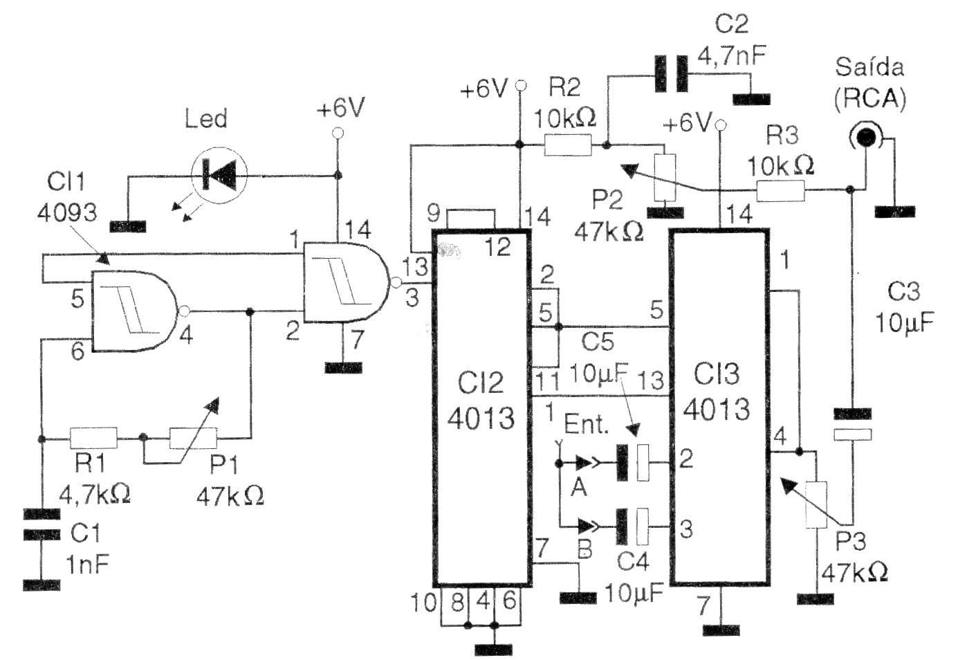
Este circuito codificó señales de audio de dos fuentes (estéreo) para poder realizar su transmisión por un solo canal FM. El circuito es sencillo, pero hay que tener cuidado con el ajuste y disposición de la placa para evitar los ronquidos. El circuito puede operar con tensiones más altas, hasta 12 V.




