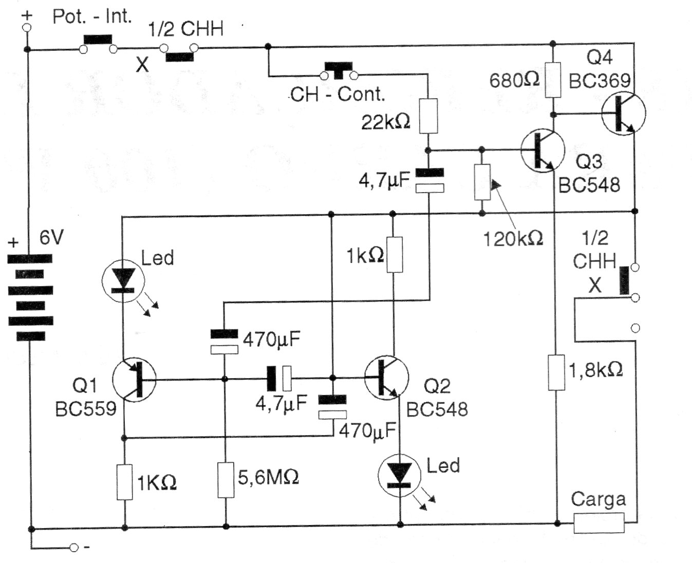
Este circuito temporizador lo encontramos en una publicación de los años 90 para apagar un dispositivo alimentado por 4 baterías, como una radio, luego de intervalos que pueden llegar a los 30 minutos. El circuito no controla cargas de corriente superiores a aproximadamente 200 mA, pero esto se puede lograr con la ayuda de un relé.




