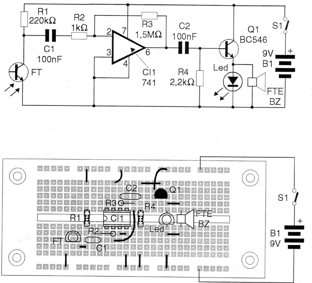
Este circuito, con el montaje en matriz de contactos, fue encontrado en una publicación de los años 90. El circuito funciona con una batería de 9 V y proporciona tanto indicación visual por LED como auditiva a través de un pequeño altavoz. Todos los componentes utilizados son comunes.




