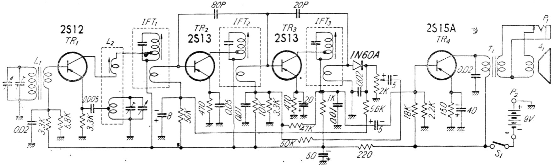
Esta pequeña radio comercial para la banda AM con transistores de germanio se encontró en la documentación japonesa de la década de 1960. El circuito funciona con una batería de 9 V y tiene un FI de 455 kHz.
Este simple circuito puede medir temperaturas con cierta precisión, dependiendo sólo de cómo se...
Podemos mostrar cómo funciona un amplificador operacional montando un simple circuito con el 741....
Esta versión de oscilador sensible a la luz utiliza como sensor un foto-transistor o un transistor de...