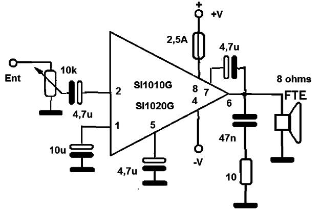
Este amplificador utiliza módulos híbridos Sanken y puede proporcionar potencias de 10 W o 20 W, dependiendo del módulo utilizado y la fuente de alimentación. El circuito requiere una placa bien planificada y una buena zona de disipación de calor para el módulo híbrido. La calidad del sonido obtenido es excelente ya que el módulo se ha utilizado en muchos productos comerciales de la hora (70 y 80). Para el 10 W utiliza la versión transformador de la fuente 15 + 15 V y 3 A para la versión 20 W el transformador es de 18 V + 18 x 3 A. Los diodos son de 2 A o más y los capacitores de filtro de 3 300 µF o más. El doble de la corriente debe ser suministrado en la versión estéreo.




