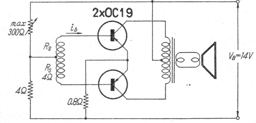
Este paso de salida en contrafase se obtuvo en una revista japonesa de 1957, época en la que el transistor utilizado era habitual para obtener algo más de 1 W en un circuito como este. El transformador de salida es de un tipo especial para este transistor que debe montarse en un disipador de calor.




