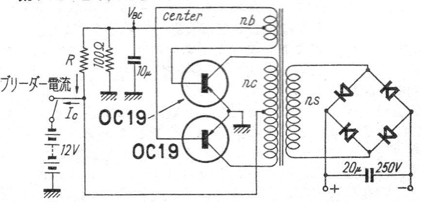
Este circuito es de documentación japonesa de 1957. El transistor OC19 era común en ese momento y el voltaje obtenido, así como la potencia, del orden de unos pocos vatios depende del transformador.
Este circuito simple hace que un LED parpadee al ritmo de la música de pequeños aparatos de sonido...
Nuestro proyecto consiste en un simple electroimán que, alimentado por una pila común puede atraer...
Las pilas recargables o las baterías de Nicad consisten en una de las fuentes de energía más...