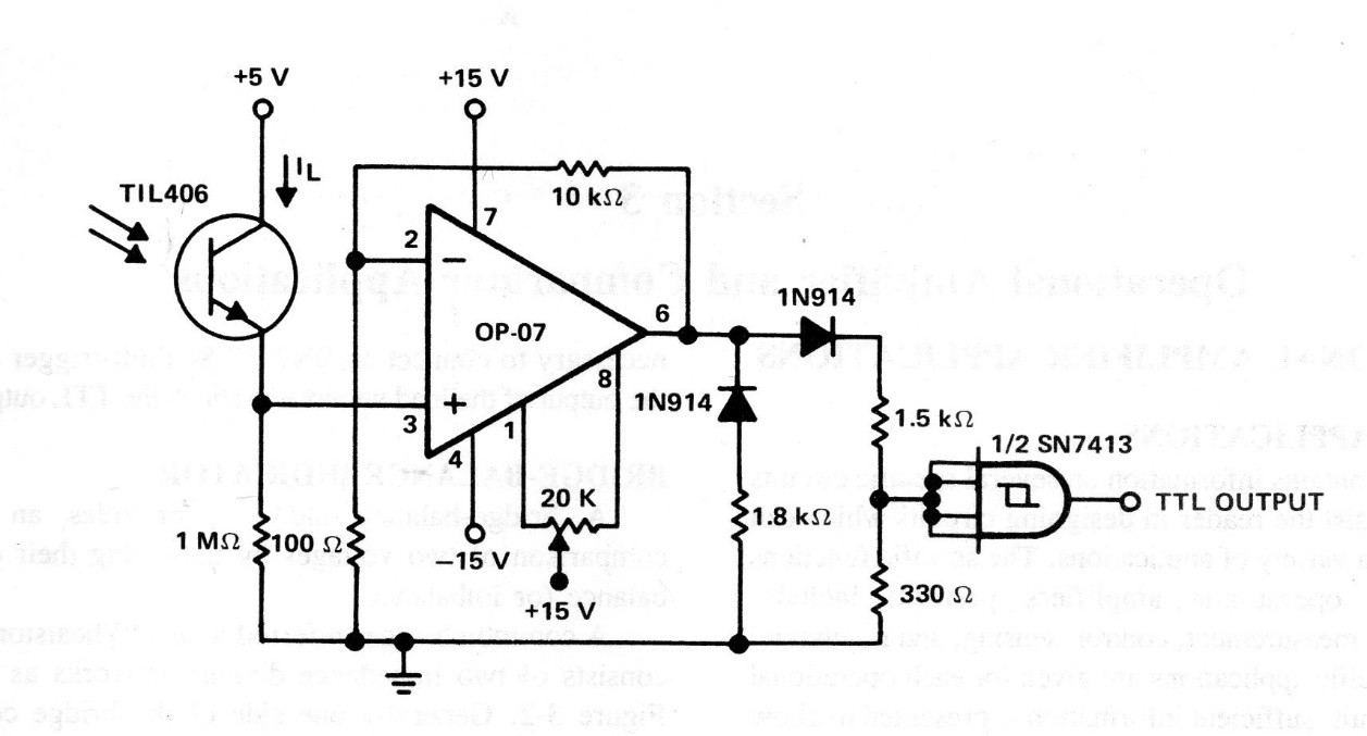
Este protector de sensor de luz con salida o microcontrolador operativo y compatible con TTL se encontró en una publicación antigua de Texas Instruments. El circuito debe estar alimentado por una fuente simétrica y tiene un ajuste de cero. El fototransistor admite equivalente.




