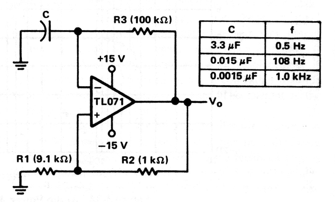
Este circuito fue sugerido por Texas Instruments en un manual de amplificadores operacionales. Se pueden utilizar otros operacionales y la fuente de alimentación debe ser simétrica con tensiones de 6 a 15 V dependiendo de la operación utilizada. La tabla proporciona los valores de los capacitores para diferentes frecuencias.




