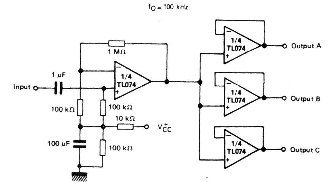
Este amplificador para la distribución de señales de audio aparece en otros artículos de este sitio web e incluso en esta sección. La configuración requiere una fuente simétrica y las salidas son independientes. La entrada es de alta impedancia. Se pueden utilizar otros operacionales con JFET en la entrada.




