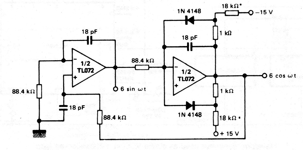
Este circuito genera señales en cuadratura en frecuencia que dependen de los capacitores de 18 pF. Estos componentes pueden tener sus valores cambiados, de acuerdo con la frecuencia deseada y se pueden usar amplificadores operacionales equivalentes.
Este amplificador de guitarra a transistores apareció en la revista Radio Electronics en noviembre de...
Este circuito de Texas Instruments de 1968 usa diacs de la época. Los SCR pueden ser equivalentes...
El Variable Frequency Oscillator (VFO) o el oscilador de frecuencia variable que se muestra en la...