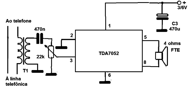
Al igual que el circuito anterior, este se utiliza en la parte analógica de las líneas telefónicas. El mismo circuito puede ser utilizado con otros zócalos o directamente acoplado en serie con la línea. T1 está formado por arrollamiento de 50 vueltas de alambre 28 en una varilla de ferrita, lo que resulta en los terminales 1 y 2, y de 200 a1000 vueltas de alambre fino (32) para el bobinado 3 y 4. El circuito puede ser alimentado por dos o cuatro baterías y P1 ajusta el volumen al mejor calidad de sonido sin distorsiones. También se puede utilizar un pequeño transformador de potencia y el devanado de baja tensión conectado a los puntos 1 y 2.




