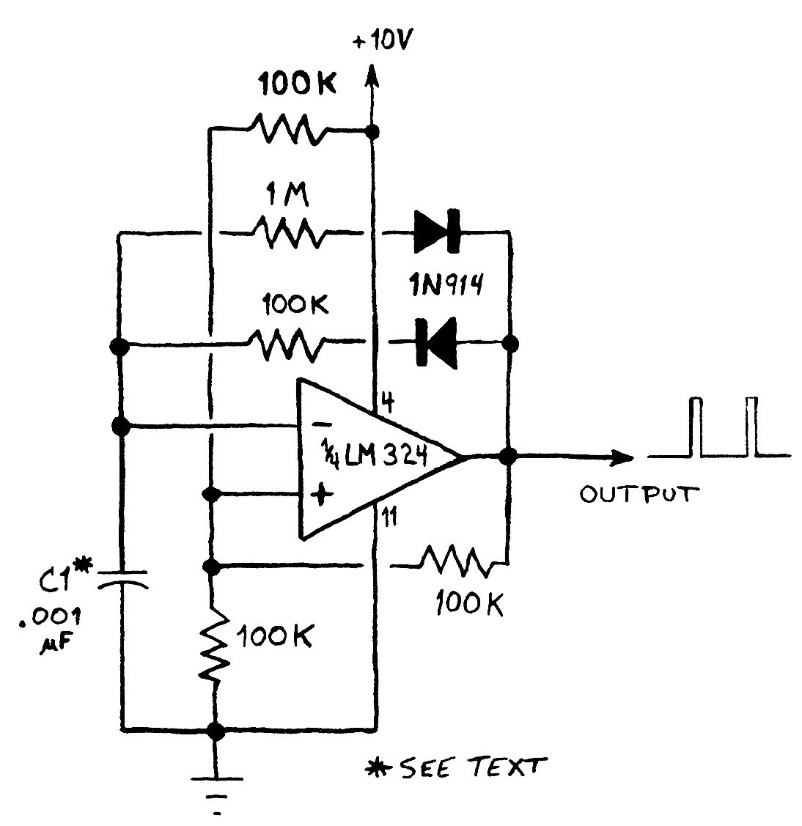
La duración del pulso está determinada por la resistencia de 100k y la separación por el resistor de 1 M. La frecuencia está dada por el capacitor y los amplificadores operacionales equivalentes se pueden utilizar en este circuito de documentación estadounidense de 1991. La fuente no tiene que ser simétrica y el Fuente de alimentación realizada con tensiones de 6 a 12 V. Para el capacitor indicado la frecuencia es de 600 Hz.




