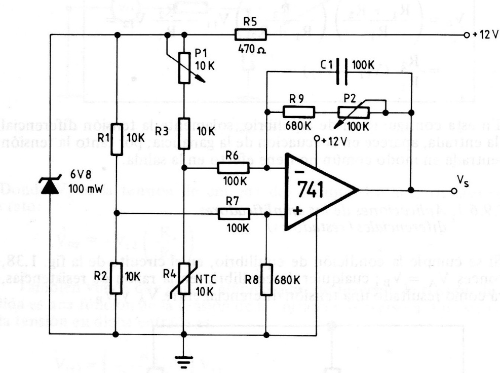
Este circuito que tiene una excelente linealidad utilizando un NTC como sensor fue encontrado en una publicación europea de los años 90. El circuito no necesita alimentación simétrica y se pueden utilizar amplificadores operacionales equivalentes. P2 ajusta la ganancia y P1 la escala del convertidor.




