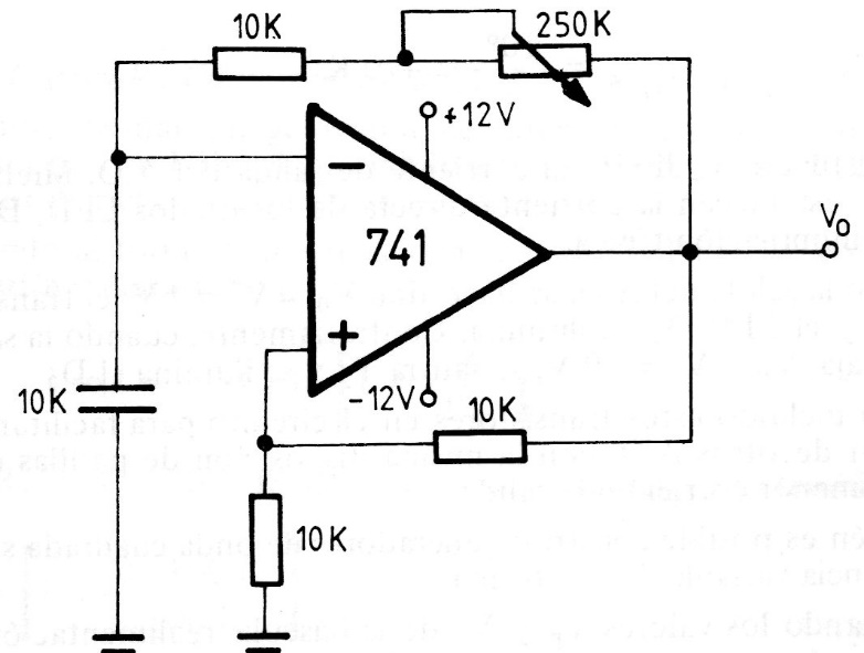
Este circuito se encontró en documentación de los años 90 en Europa. El circuito muestra cómo variar la frecuencia de un oscilador con el 741 operacional, en este caso entre 180 Hz y 4500 Hz. La señal de salida es rectangular y la fuente de alimentación debe ser simétrica. Obs. 10k es 10 nF para el capacitor.




