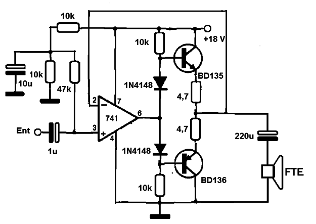
La versión original de este circuito fue sugerido por una Radioelectrónica de 1990. El circuito se puede montar con el par BD135 BD136. Tenga en cuenta el altavoz es de alta impedancia. Con el par de BD puede tener una impedancia inferior para los altavoces y mayor potencia de salida. La ventaja de este circuito en comparación con el anterior es que no necesita de alimentación dual. Los transistores de salida deben utilizar un radiador. La impedancia de entrada es alta. El cable de señal de entrada debe ser blindado.




