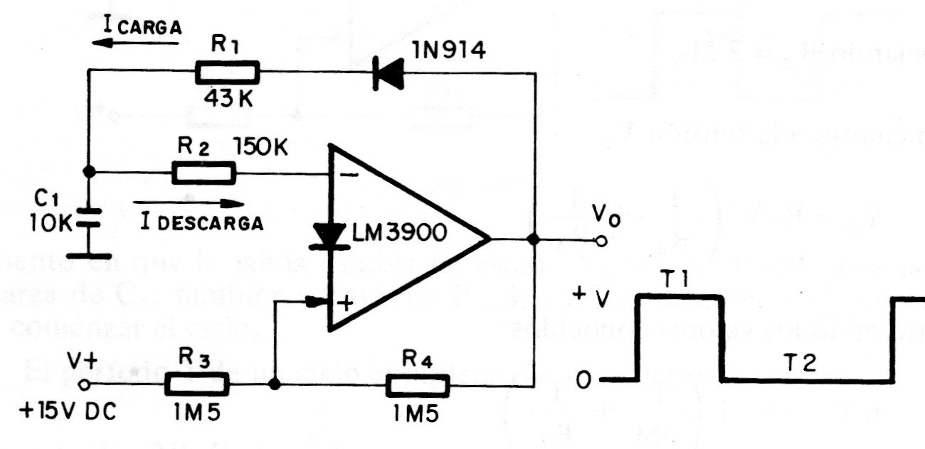
Este circuito utiliza un amplificador operacional de transconductancia LM3900 para generar pulsos cuya duración depende de R1 y la separación de R2. La frecuencia depende de C1. Todos estos componentes se pueden cambiar según la aplicación.
Este sencillo circuito permite probar los circuitos integrados CMOS 4001 y 4011. Consta de un...
Este circuito se encontró en una documentación médica estadounidense de 1970. El circuito rechaza la...
Este circuito se da en dos versiones, habiéndose encontrado en una publicación de los años 90. El...