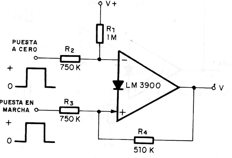
La figura muestra cómo implementar un flip-flop R-S o un set de reinicio biestable con un amplificador operacional de transconductancia LM3900. El circuito es de un antiguo manual de amplificador operacional y la tensión de alimentación debe estar de acuerdo con la lógica implementada.




