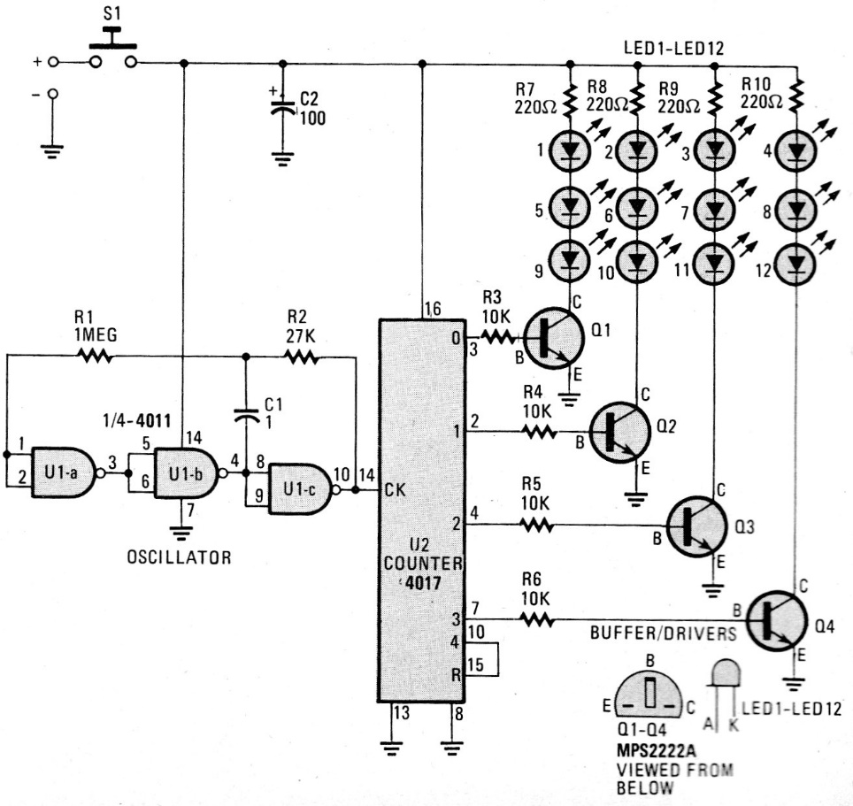
La idea de los wearables o vestibles no es nueva y no es necesario implementarla con microcontroladores y otras características modernas. Esta idea de un secuencial para usar en una tiara o gorra es de una publicación estadounidense de 1984. Los transistores pueden ser el BC548 y la fuente de alimentación está compuesta por 4 baterías o batería de 9 V.




