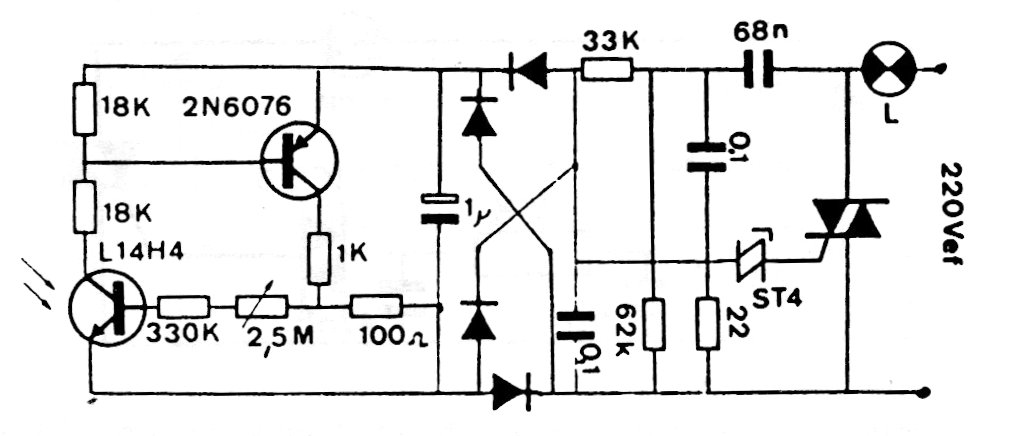
Este circuito se encontró en una documentación antigua de General Electric. El circuito solo es válido para lámparas incandescentes y el triac debe estar equipado con un disipador de calor. El sensor es un fototransistor y el ajuste de la operación se realiza en un trimpot.




